Главная> Блог> Риск коррозии слишком высок? Наш антикоррозионный вентилятор выдерживает среду с pH от 1 до 14.

Риск коррозии слишком высок? Наш антикоррозионный вентилятор выдерживает среду с pH от 1 до 14.

March 11, 2026

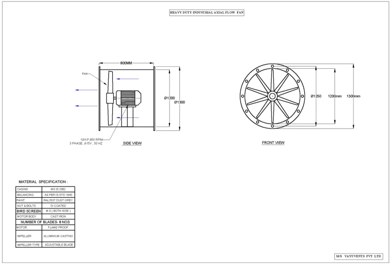
В агрессивных промышленных средах, где химические вещества и экстремальные условия могут поставить под угрозу производительность оборудования, устойчивость к коррозии имеет решающее значение. Наши антикоррозийные вентиляторы специально разработаны для обеспечения долговечности, безопасности и эффективности. В них используются высокостойкие материалы, такие как полипропилен (ПП), ПВХ и нержавеющая сталь. Мы предлагаем широкий ассортимент продукции, в том числе вентиляторы, изготовленные методом литья под давлением, которые обеспечивают максимальную эффективность и бесшумную работу, модели для тяжелых условий эксплуатации, адаптированные для требовательных применений, и взрывозащищенные версии ATEX, предоставляя индивидуальные решения для каждой отрасли. Антикоррозионный вентилятор ЦМПБ/2-14-0,18 IP55 имеет полипропиленовый спиральный корпус, способный выдерживать температуру воздуха до 60 ˚C, ориентацию корпуса LG 0 и регулируемую ось нагнетательного канала. Для определенных размеров по специальному заказу доступна версия шкафа RD. Его радиальное ходовое колесо имеет загнутые вперед лопасти, также изготовленные из полипропилена. Вентилятор приводится в действие асинхронным двигателем, рассчитанным на 1-фазное напряжение 230 В или 3-фазное напряжение 230/400 В, оснащенным шарикоподшипниками со смазкой и классом изоляции F, обеспечивающим защиту IP55. Правильная установка требует подключения к предназначенному для этого воздуховоду, проверки вращения крыльчатки и контроля тока во избежание перегрузки. Для защиты двигателя рекомендуется использовать реле максимального тока, поскольку тепловая защита отключит двигатель в случае перегрузки, указывая на возможные проблемы с выравниванием или электрические проблемы. Этот вентилятор идеально подходит для длинных воздуховодов в различных отраслях промышленности, особенно в химической и нефтехимической отраслях, но не подходит для легковоспламеняющихся или взрывоопасных материалов. Точная оценка транспортируемых веществ имеет важное значение, и мы рекомендуем проконсультироваться с производителем в случае неопределенности относительно пригодности вентилятора.



Устали от коррозии? Откройте для себя наш устойчивый к pH 1–14 вентилятор!


Вы устали бороться с коррозией вашего оборудования? Это неприятная проблема, которая может привести к дорогостоящему ремонту и простою. Я понимаю, каково это — инвестировать в инструменты только для того, чтобы увидеть, как они со временем портятся из-за факторов окружающей среды. Вот почему я хочу познакомить вас с нашим вентилятором, устойчивым к pH 1–14. Это инновационное решение предназначено для работы в экстремальных условиях, обеспечивая функциональность и надежность вашего оборудования. Давайте разберем преимущества: 1. Долговечность: В отличие от стандартных вентиляторов, наш продукт устойчив к коррозии, вызываемой кислотными и щелочными веществами. Это означает, что вам не придется беспокоиться о частой его замене. 2. Универсальность: независимо от того, работаете ли вы на химическом заводе, предприятии пищевой промышленности или в любой другой среде, где существует опасность коррозии, этот вентилятор адаптируется к вашим потребностям. 3. Экономичность. Инвестирование в pH-устойчивый вентилятор означает меньшее количество замен и ремонтов. Со временем это поможет вам сэкономить значительную сумму денег. 4. Простота установки: Наш вентилятор разработан для быстрой и простой установки, что позволяет вам вернуться к работе без ненужных задержек. 5. Проверенная эффективность. Многие довольные клиенты поделились своими историями успеха после перехода на наш вентилятор. Они добились снижения затрат на техническое обслуживание и повышения эффективности. В заключение: если коррозия является для вас постоянной проблемой, рассмотрите возможность перехода на наш вентилятор, устойчивый к pH 1–14. Это практическое решение, которое напрямую устраняет ваши болевые точки, гарантируя, что вы сможете сосредоточиться на том, что действительно важно, — обеспечивая бесперебойную работу ваших операций. Не позволяйте коррозии больше сдерживать вас!


Не позволяйте коррозии разрушить ваше оборудование – попробуйте наш антикоррозионный вентилятор!



Коррозия может незаметно повредить ваше оборудование, что приведет к дорогостоящему ремонту и простою. Я видел, как это происходило слишком много раз: машины, которые когда-то работали без сбоев, теперь сталкиваются с неожиданными сбоями из-за ржавчины и разрушения. Если вы похожи на меня, вы хотите защитить свои инвестиции и обеспечить срок службы вашего оборудования как можно дольше. Вот тут-то и вступает в игру наш антикоррозийный вентилятор. Это инновационное решение предназначено для борьбы с последствиями коррозии, обеспечивая защитный барьер, обеспечивающий безопасность вашего оборудования. Вот как это работает: 1. Надежные материалы: наш вентилятор изготовлен из высококачественных, устойчивых к коррозии материалов. Это означает, что он может выдерживать суровые условия окружающей среды и продолжать эффективно работать даже в сложных условиях. 2. Эффективный воздушный поток: конструкция обеспечивает оптимальный воздушный поток, уменьшая накопление влаги, которое часто приводит к коррозии. Сохраняя оборудование сухим, вы значительно снижаете риск появления ржавчины и износа. 3. Простая установка: вам не нужно быть экспертом, чтобы настроить наш вентилятор. Благодаря простым инструкциям вы сможете быстро установить и запустить его, гарантируя, что ваше оборудование будет защищено без каких-либо хлопот. 4. Экономичное решение. Инвестиции в наш антикоррозионный вентилятор могут сэкономить вам деньги в долгосрочной перспективе. Предотвращая коррозию, вы снижаете потребность в частом ремонте и замене, позволяя более эффективно распределять свой бюджет. Подводя итог, не позволяйте коррозии испортить ваше оборудование. Примите активные меры для защиты своих инвестиций с помощью нашего антикоррозионного вентилятора. Понимая риски и внедряя это решение, вы можете гарантировать, что ваше оборудование будет оставаться в отличном состоянии на долгие годы. Защитите свое оборудование сегодня и наслаждайтесь спокойствием, зная, что вы приняли правильные меры против коррозии.


Сталкиваетесь с суровыми условиями? Наш вентилятор справится со всем!



Столкновение с суровыми условиями может оказаться непростой задачей. Будь то сильная жара, влажность или пыль, крайне важно найти надежное оборудование, способное выдержать эти условия. Я понимаю разочарование, когда оборудование выходит из строя, когда оно вам больше всего нужно. Вот почему я хочу рассказать, как наш вентилятор может стать решением, которое вы искали. Для начала поговорим о долговечности. Наш вентилятор изготовлен из прочных материалов, способных выдерживать суровые условия. Он устойчив к коррозии и обеспечивает эффективную работу даже во влажной или соленой среде. Далее рассмотрим мощность воздушного потока. Наш вентилятор обеспечивает мощный регулируемый поток воздуха, который можно настроить в соответствии с вашими конкретными потребностями. Это означает, что независимо от того, охлаждаете ли вы небольшое помещение или циркулируете воздух на большей площади, вы можете рассчитывать на стабильную производительность. Кроме того, ключевой особенностью является простота использования. Вентилятор легкий и портативный, что позволяет легко перемещать его из одного места в другое. Настройка проста, поэтому вы сможете запустить ее с минимальными усилиями. Наконец, энергоэффективность является приоритетом. Наш вентилятор работает с низким энергопотреблением, помогая вам сэкономить на затратах на электроэнергию, сохраняя при этом необходимое охлаждение. Таким образом, при работе в суровых условиях наличие надежного оборудования имеет важное значение. Наш вентилятор отличается долговечностью, мощным потоком воздуха, портативностью и энергоэффективностью. Не позволяйте экстремальным условиям сдерживать вас — выберите вентилятор, который справится со всем этим.


Защитите свои инвестиции: антикоррозионный вентилятор для экстремальных условий!



В современном мире обеспечение долговечности ваших инвестиций имеет решающее значение, особенно когда речь идет об оборудовании, подвергающемся воздействию суровых условий окружающей среды. Я понимаю разочарование, связанное с коррозией, и дорогостоящий ремонт или замену, к которым она может привести. Вот почему я хочу поделиться своим мнением о важности использования антикоррозионного вентилятора, предназначенного для экстремальных условий. Коррозия может нанести ущерб оборудованию, что приведет к снижению эффективности и увеличению времени простоя. Я своими глазами видел, как простая оплошность в защите техники может привести к значительным потерям. Хорошей новостью является то, что существуют эффективные решения. 1. Выберите правильный материал. Ищите вентиляторы, изготовленные из устойчивых к коррозии материалов, таких как нержавеющая сталь, или со специальным покрытием. Эти материалы могут противостоять суровым условиям, обеспечивая оптимальную работу вашего вентилятора в течение многих лет. 2. Регулярное обслуживание. Крайне важно соблюдать график планового технического обслуживания. Регулярные проверки могут помочь выявить ранние признаки износа, что позволяет своевременно принять меры до того, как проблемы обострятся. 3. Правильная установка. Убедитесь, что вентилятор установлен правильно. Несоосность или неправильный монтаж могут привести к повышенному напряжению и потенциальному выходу из строя. Соблюдение рекомендаций производителя является ключом к достижению наилучших результатов. 4. Учет окружающей среды: оцените среду, в которой будет использоваться вентилятор. Если он подвергается воздействию соленой воды или химикатов, могут потребоваться дополнительные меры защиты. Это может включать использование защитных барьеров или ограждений. Приняв эти меры, я видел, как предприятия значительно сокращают время простоев и затраты на техническое обслуживание. Защита ваших инвестиций с помощью антикоррозионного вентилятора не только повышает производительность, но и продлевает срок службы вашего оборудования. В заключение, превентивное решение проблем коррозии может сэкономить вам время и деньги. Правильный вентилятор в сочетании с надлежащим уходом обеспечит надежность вашего оборудования даже в самых тяжелых условиях. Не ждите, пока коррозия станет проблемой — действуйте сейчас, чтобы защитить свои инвестиции.


Попрощайтесь с проблемами коррозии с помощью нашего прочного вентилятора!



Коррозия может стать серьезной головной болью для тех, кто использует вентиляторы в условиях повышенной влажности или суровых условиях. Я понимаю разочарование, связанное с ржавыми компонентами, которые не только влияют на производительность, но и приводят к дорогостоящей замене. Представьте себе вентилятор, который выдерживает испытание временем и противостоит разрушительному воздействию коррозии. Наш прочный вентилятор разработан специально для этой цели. Благодаря высококачественным материалам и инновационным технологиям он обеспечивает долговечность и надежность даже в самых тяжелых условиях. Вот как наш вентилятор решает проблему коррозии: 1. Выбор материала: мы используем современные устойчивые к коррозии материалы, которые превосходят традиционные варианты. Это означает, что вам больше не придется беспокоиться о том, что ржавчина поставит под угрозу функциональность вашего вентилятора. 2. Защитные покрытия. Каждый вентилятор покрыт специальным покрытием, обеспечивающим дополнительный уровень защиты от влаги и коррозийных элементов. Благодаря такому превентивному подходу ваш вентилятор будет выглядеть и работать как новый. 3. Советы по регулярному техническому обслуживанию. Чтобы продлить срок службы вашего вентилятора, мы даем простые рекомендации по техническому обслуживанию. Простые меры, такие как регулярная очистка и осмотр, могут предотвратить коррозию до ее начала. 4. Тестирование в реальных условиях. Наши вентиляторы были протестированы в различных условиях: от прибрежных районов с высокой влажностью до промышленных объектов с воздействием химикатов. Отзывы пользователей подчеркивают значительную разницу в производительности по сравнению со стандартными вентиляторами. В заключение: инвестировать в наш надежный вентилятор означает попрощаться с проблемами коррозии. Выбирая продукт, способный противостоять непогоде, вы не только экономите деньги на замене, но и получаете душевное спокойствие, зная, что ваш вентилятор будет надежно работать долгие годы. Сделайте переключение сегодня и почувствуйте разницу!


Нужна надежность в сложных условиях? Наш фанат помог вам!



В сложных условиях крайне важно иметь надежное оборудование. Я понимаю разочарование, связанное с ненадежными фанатами, которые просто не могут справиться с жарой. Работаете ли вы на жарком складе, наслаждаетесь летним барбекю или пытаетесь сохранить прохладу во время мероприятия на открытом воздухе, вам нужен вентилятор, на который вы можете положиться. Наш вентилятор создан для работы в сложных ситуациях. Он имеет прочную конструкцию, выдерживающую высокие температуры и интенсивное использование. Благодаря регулируемым настройкам скорости вы можете настроить воздушный поток в соответствии со своими потребностями, обеспечивая комфортную среду независимо от обстоятельств. Вот как вы можете максимально эффективно использовать наш вентилятор: 1. Оцените окружающую среду: определите конкретные условия, в которых вы будете использовать вентилятор. Это для внутреннего или наружного использования? Понимание ваших настроек помогает выбрать правильные настройки. 2. Отрегулируйте скорость: начните с более низкой скорости, чтобы проверить ее эффективность. Вы можете легко увеличить скорость, если вам нужен больший поток воздуха. 3. Размещение. Разместите вентилятор в таком месте, где он сможет эффективно циркулировать воздух. Направьте поток воздуха в места, где собираются люди, для максимального комфорта. 4. Регулярное техническое обслуживание. Содержите вентилятор в чистоте и проверяйте его на наличие препятствий, чтобы обеспечить оптимальную работу. Небольшой уход продлит срок его службы. Подводя итог, можно сказать, что в сложных условиях наш вентилятор готов обеспечить надежную работу. Это не просто фанат; это решение ваших потребностей в охлаждении. Не соглашайтесь на меньшее, если у вас всегда под рукой надежный комфорт. Мы приветствуем ваши запросы: 13301603608@163.com/WhatsApp +8613301603608.


Ссылки


  1. Смит Дж. 2023 г. Устали от коррозии? Откройте для себя наш устойчивый к pH 1–14 вентилятор 2. Johnson L 2023 Не позволяйте коррозии разрушить ваше оборудование – попробуйте наш антикоррозионный вентилятор 3. Williams R 2023 Сталкиваетесь с суровыми условиями окружающей среды? Наш вентилятор справится со всем этим 4. Браун А, 2023 г. Защитите свои инвестиции: антикоррозионный вентилятор для экстремальных условий 5. Дэвис К. 2023 г. Попрощайтесь с проблемами коррозии с помощью нашего прочного вентилятора 6. Миллер Т 2023 г. Нужна надежность в тяжелых условиях? Наш фанат тебя прикрыл
Свяжитесь с нами

Автор:

Mr. WU

Электронная почта:

13301603608@163.com

Phone/WhatsApp:

+86 13301603608

Популярные продукты
Вам также может понравиться
Связанные категории

Письмо этому поставщику

Тема:
Эмайл:
Сообщение:

Ваше сообщение должно быть в пределах 20-8000 символов

Контактное лицо:Mr. WU
  • Телефон:0086-21-33580466
  • Мобильный Телефон:+86 13301603608
  • Эмайл:13301603608@163.com
  • Адрес:Room302,Tower No5, South No 2899 South LianHua Road SHANGHAI, Shanghai, Shanghai China
Контактное лицо:Mr. ZHANG
  • Телефон:0086-21-33580466
  • Мобильный Телефон:+86 18930288607
  • Эмайл:18930288607@163.com
  • Адрес:Room302,Tower No5, South No 2899 South LianHua Road SHANGHAI China

Copyright © 2026 Shanghai Ji Pu Ventilation Equipment Co., LTD Все права защищены.

We will contact you immediately

Fill in more information so that we can get in touch with you faster

Privacy statement: Your privacy is very important to Us. Our company promises not to disclose your personal information to any external company with out your explicit permission.

Отправить